PET plenary

Les Bagues PET au CETIE

Les Bagues PET au CETIE
Author: Cetie

Le groupe de travail Bagues PET au CETIE

 

 

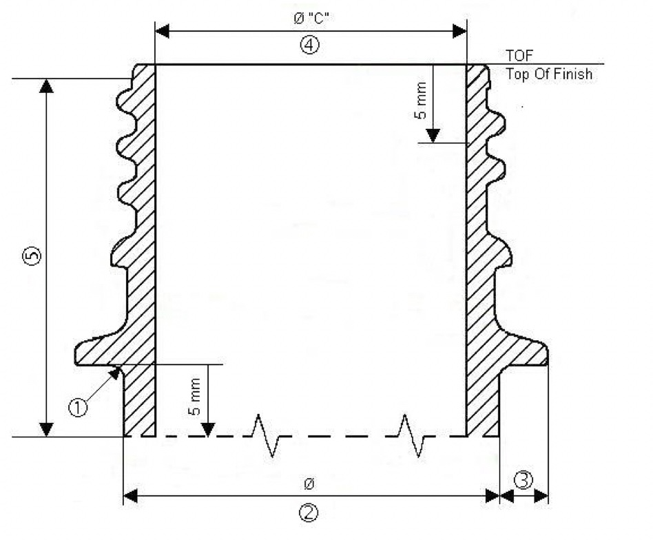
PCO – Plastic Closure Only - de 28 millimètres



Lors d’une réunion tenue en mars de cette année, le groupe Capsuliers « Bouchages pour bouteilles verre et plastique » avait décidé de constituer un groupe de travail relatif aux Bagues PET avec pour objectif d’éditer des fiches CETIE pour ces produits.
Le groupe s’est réuni plusieurs fois depuis cette date avec pour premier sujet la bague PCO – Plastic Closure Only - de 28 millimètres.
 
Il existe déjà sur le marché de nombreux dessins de cols de 28 mm. Dans la situation actuelle d’un marché européen élargi, et pour éviter une nouvelle  prolifération de dessins divers, il semble effectivement indispensable de disposer au plus tôt d’un document de référence provenant d’un organisme européen reconnu en tant qu’organisme de normalisation dans le secteur de l’embouteillage.
 
Après discussion et nombreux échanges avec certaines parties prenantes, le groupe de travail recommande d’utiliser les bagues existantes, d’utilisation courante, et sur les dessins desquelles des accords par les industriels concernés ont été établis. Ces dessins sont disponibles sur le site internet de l’ISBT (International Society of Beverage Technologists) à l’adresse www.threadspecs.com

Création de la GME 30.03


Le document CETIE  pour cette bague PCO portera la référence GME 30.03. Il renverra pour le dimensionnel sur le dessin de ISBT évoqué ci-dessus et intégrera quelques recommandations de construction pour garantir les performances de bouchage ainsi que l’interchangeabilité des lots.  Il devrait être édité  fin 2005 ou début 2006.
bague PCO PET
 
Il est à noter que ces premiers travaux se sont déroulés en liaison avec le groupe « Bouchage de 28 mm pour produits carbonatés », groupe en charge de rédiger un guide de l’embouteillage pour bouchon plastique sur bouteille plastique. Deux versions de ce guide seront éditées : une en français et une en anglais.
 
Les prochains travaux du groupe Bagues PET concerneront les bagues 30/25 hautes et basses utilisées principalement pour l’eau plate.
 
L’élaboration de ces documents de référence confirme également le caractère multi matériaux des activités du CETIE.